20P02場效應管,-20A -20V,20P02參數資料,20P02引腳圖,20P02封裝為DFN3*3,20P02中文資料規格書PDF
20P02 DFN3*3參數封裝:點擊查看

20P02封裝有DFN3*3/DFN5*6/TO-252/TO-220/TO-220F
極性:PNP
Drain-Source Voltage 漏源電壓Vds:-20V
Gate-Source Voltage 柵源電壓Vgs:±12V
Continuous Drain Current 漏極電流Id Tc=25℃:-20A
Continuous Drain Current 漏極電流Id Tc=100℃:-12A
Power Dissipation 功率損耗Pd:5W
Static Drain-Source On-Resistance 內阻ID=-7A,VGS=-4.5V:Typ:15mΩ Max 20mΩ
Junction and Storage Temperature Range 溫度范圍:-55~+150℃
20P20場效應管DFN3*3-8L封裝尺寸:

20P02場效應管PDFN5*6-8L封裝尺寸:

20P20場效應管DFN3*3-8L封裝尺寸:

20P02場效應管PDFN5*6-8L封裝尺寸:

20P02場效應管TO-252封裝尺寸:

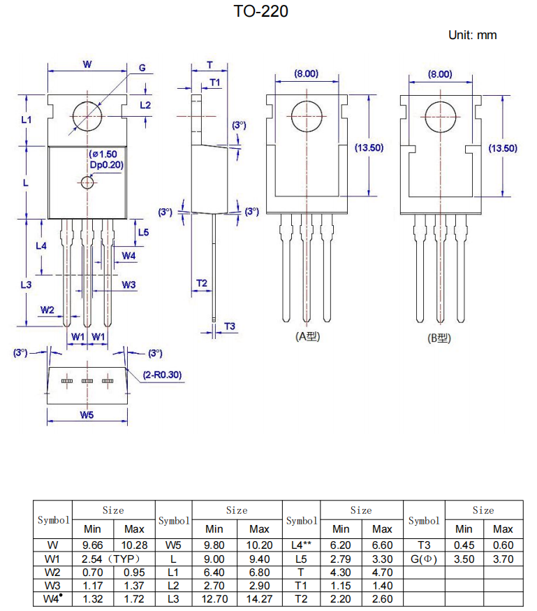
20P02場效應管TO-220封裝尺寸:

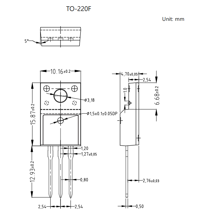
20P02場效應管TO-220F封裝尺寸:

〈烜芯微/XXW〉專業制造二極管,三極管,MOS管,橋堆等,20年,工廠直銷省20%,上萬家電路電器生產企業選用,專業的工程師幫您穩定好每一批產品,如果您有遇到什么需要幫助解決的,可以直接聯系下方的聯系號碼或加QQ/微信,由我們的銷售經理給您精準的報價以及產品介紹
聯系號碼:18923864027(同微信)
QQ:709211280


