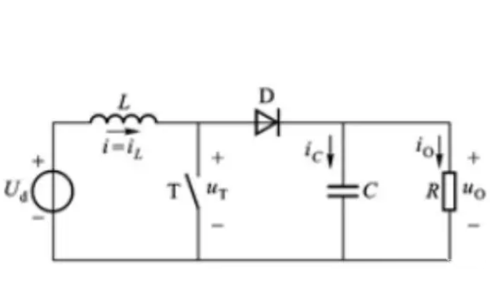
DC-DC轉換器分為三類:Boost升壓型DC-DC轉換器、BUCK降壓型DC-DC轉換器以及 Boost-BUCK升降壓型DC-DC轉換器三種,如果電路低壓采用DC-DC轉換電路,應該是Boost升壓型DC-DC轉換電路,并且輸入電壓、輸出電壓都是直流電壓,而且輸入電壓比輸出電壓低,基本拓撲結構如圖


工作原理分為兩個步驟:
步驟一:如圖回路1,開關管閉合(MOS管導通,相當于一根導線),這時輸入的直流電壓流過電感L。二極管D1作用是防止電容C對地放電,同時起到續流作用。由于輸入的電壓是直流電,因此電感上的電流以一定的比率線性的增加,這個比率跟電感因素有關,隨著電感電流增加,電感里儲存了一些能量。


步驟二:如圖回路二,當開關管斷開時候,由于電感的電流不能突變,也就是說流經電感L的電流不會馬上變為零,而是緩慢的由充電完畢時的值變為零,這需要一個過程,而原來的電路回路已經斷開,于是電感只能通過新電路放電,即電感開始給電容C2充電,電容兩端電壓升高,此時電壓已經高于輸入電壓了,升壓過程中,電容要足夠大,這樣在輸出端就可以在放電過程中保持一個持續的電流,這兩個步驟不斷重復,在輸出兩端就得到高于輸入電壓的電壓。


實際電路實例如下圖
〈烜芯微/XXW〉專業制造二極管,三極管,MOS管,橋堆等,20年,工廠直銷省20%,上萬家電路電器生產企業選用,專業的工程師幫您穩定好每一批產品,如果您有遇到什么需要幫助解決的,可以直接聯系下方的聯系號碼或加QQ/微信,由我們的銷售經理給您精準的報價以及產品介紹
〈烜芯微/XXW〉專業制造二極管,三極管,MOS管,橋堆等,20年,工廠直銷省20%,上萬家電路電器生產企業選用,專業的工程師幫您穩定好每一批產品,如果您有遇到什么需要幫助解決的,可以直接聯系下方的聯系號碼或加QQ/微信,由我們的銷售經理給您精準的報價以及產品介紹聯系號碼:18923864027(同微信)
QQ:709211280

