二極管是最早誕生的半導體器件之一,其應用非常廣泛。特別是在各種電子電路中,利用二極管和電阻、電容、電感等元器件進行合理的連接,構成不同功能的電路,可以實現對交流電整流、對調制信號檢波、限幅和鉗位以及對電源電壓的穩(wěn)壓等多種功能。下面將介紹幾種二極管的應用電路:
1.簡易直流穩(wěn)壓電路
二極管簡易穩(wěn)壓電路主要用于一些局部的直流電壓供給電路中,主要利用二極管的管壓降基本不變特性。由于電路簡單,成本低,所以應用比較廣泛。
二極管導通后其管壓降基本不變,對硅二極管而言這一管壓降是0.6V左右,對鍺二極管而言是0.2V左右。如圖所示是由普通3只二極管構成的簡易直流穩(wěn)壓電路。電路中的VD1、VD2和VD3是普通二極管,它們串聯(lián)起來后構成一個簡易直流電壓穩(wěn)壓電路。


圖:3只普通二極管構成的簡易直流穩(wěn)壓電路
2.溫度補償電路
眾所周知,PN結導通后有一個約為0.6V(指硅材料PN結)的壓降,同時PN結還有一個與溫度相關的特性:PN結導通后的壓降基本不變,但不是不變,PN結兩端的壓降隨溫度升高而略有下降,溫度愈高其下降的量愈多,當然PN結兩端電壓下降量的絕對值對于0.6V而言相當小,利用這一特性可以構成溫度補償電路。如圖所示是利用二極管溫度特性構成的溫度補償電路。


圖:二極管溫度補償電路
3. 控制電路
二極管導通之后,它的正向電阻大小隨電流大小變化而有微小改變,正向電流愈大,正向電阻愈小;反之則大。利用二極管正向電流與正向電阻之間的特性,可以構成一些自動控制電路。如圖所示是一種由二極管構成的自動控制電路,又稱ALC電路(自動電平控制電路),它在磁性錄音設備中(如卡座)的錄音電路中經常應用。


圖:二極管構成的自動控制電路
4.限幅電路
二極管最基本的工作狀態(tài)是導通和截止兩種,利用這一特性可以構成限幅電路。所謂限幅電路就是限制電路中某一點的信號幅度大小,讓信號幅度大到一定程度時,不讓信號的幅度再增大,當信號的幅度沒有達到限制的幅度時,限幅電路不工作,具有這種功能的電路稱為限幅電路,利用二極管來完成這一功能的電路稱為二極管限幅電路。
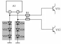
如圖所示是二極管限幅電路。在電路中,A1是集成電路(一種常用元器件),VT1和VT2是三極管(一種常用元器件),R1和R2是電阻器,VD1~VD6是二極管。


圖:二極管限幅電路
5.開關電路
開關電路是一種常用的功能電路,例如家庭中的照明電路中的開關,各種民用電器中的電源開關等。在開關電路中有兩大類的開關:一種是機械式的開關,采用機械式的開關件作為開關電路中的元器件;另一種是電子開關,就是不用機械式的開關件,而是采用二極管、三極管這類器件構成開關電路。
開關二極管同普通的二極管一樣,也是一個PN結的結構,不同之處是要求這種二極管的開關特性要好。當給開關二極管加上正向電壓時,二極管處于導通狀態(tài),相當于開關的通態(tài);當給開關二極管加上反向電壓時,二極管處于截止狀態(tài),相當于開關的斷態(tài)。二極管的導通和截止狀態(tài)完成開與關功能。開關二極管就是利用這種特性,且通過制造工藝,開關特性更好,即開關速度更快,PN結的結電容更小,導通時的內阻更小,截止時的電阻很大。二極管構成的電子開關電路形式多種多樣,如圖所示是一種常見的二極管開關電路。


圖:二極管開關電路
6.檢波電路
如圖所示是二極管檢波電路。電路中的VD1是檢波二極管,C1是高頻濾波電容,R1是檢波電路的負載電阻,C2是耦合電容。


圖:二極管檢波電路
檢波電路主要由檢波二極管VD1構成。在檢波電路中,調幅信號加到檢波二極管的正極,這時的檢波二極管工作原理與整流電路中的整流二極管工作原理基本一樣,利用信號的幅度使檢波二極管導通,如圖9-49所示是調幅波形展開后的示意圖。


圖:調幅波形時間軸展開示意圖
從展開后的調幅信號波形中可以看出,它是一個交流信號,只是信號的幅度在變化。這一信號加到檢波二極管正極,正半周信號使二極管導通,負半周信號使二極管截止,這樣相當于整流電路工作一樣,在檢波二極管負載電阻R1上得到正半周信號的包絡,即信號的虛線部分,見圖中檢波電路輸出信號波形(不加高頻濾波電容時的輸出信號波形)。
檢波電路輸出信號由音頻信號、直流成分和高頻載波信號三種信號成分組成,詳細的電路分析需要根據三種信號情況進行展開。這三種信號中,最重要的是音頻信號處理電路的分析和工作原理的理解。
7.保護電路
繼電器內部具有線圈的結構,所以它在斷電時會產生電壓很大的反向電動勢,會擊穿繼電器的驅動三極管,為此要在繼電器驅動電路中設置二極管保護電路,以保護繼電器驅動管。如圖所示是繼電器驅動電路中的二極管保護電路,電路中的J1是繼電器,VD1是驅動管VT1的保護二極管,R1和C1構成繼電器內部開關觸點的消火花電路。


圖:二極管保護電路
本文總結了二極管的七種應用電路,二極管除單向導電特性外,還有許多特性,很多的電路中并不是利用單向導電特性就能分析二極管所構成電路的工作原理,而需要掌握二極管更多的特性才能正確分析這些電路。
〈烜芯微/XXW〉專業(yè)制造二極管,三極管,MOS管,橋堆等,20年,工廠直銷省20%,上萬家電路電器生產企業(yè)選用,專業(yè)的工程師幫您穩(wěn)定好每一批產品,如果您有遇到什么需要幫助解決的,可以直接聯(lián)系下方的聯(lián)系號碼或加QQ/微信,由我們的銷售經理給您精準的報價以及產品介紹
聯(lián)系號碼:18923864027(同微信)
QQ:709211280

