3.3V升壓12V電路圖(一)
用3V電源為12V壓電式揚聲器供電電路
矮型壓電式揚聲器可為便攜式電子設備提供優質的聲音,但要求加在揚聲器元件兩端的電壓擺幅大于8Vp-p。可是,大多數便攜設備只有一個低壓電源,傳統的電池供電放大器無法提供足夠大的電壓擺幅來驅動壓電式揚聲器。
解決這一問題的一種方法是使用圖1中的IC1,可以將IC1配置得能用高達12Vp-p的電壓擺幅來驅動壓電式揚聲器,并由3V電源供電。IC1的型號是MAX4410,它含有一個立體聲耳機驅動器以及一個能從正3V電源獲得一個負3V電源的反相電荷泵。
因此,為驅動放大器一個內部±V電源,就能使IC1的每個輸出端提供6Vp-p擺幅。再將IC1配置成一個BTL(橋接式)驅動器,就可將負載上的最大電壓擺幅增加2倍,達到12Vp-p。
在BTL結構中,IC1的右通道用作主放大器,它決定IC1的增益,驅動揚聲器的一端,并為左通道提供一個信號。如果把IC1配置成一個增益為1的跟隨器,則左通道將右通道的輸出反相后,驅動揚聲器的另一端。為了確保失真低和匹配良好,應用精密電阻調節左通道的增益。

圖1這種橋接式負載配置可將放大器的電壓擺幅成倍增大
3.3V升壓12V電路圖(二)
MC3406A是一種新型單片升降壓DC-DC變換器集成電路,其輸入電壓為3~40V,輸出電壓可調,輸出開關電流可至1.5A,并有溫度補償參考電壓源,有電流限制功能。該集成電路只需配用少量外部元件,就能組成升壓、降壓、電壓反轉型DC-DC變換器,可廣泛應用于各種便攜式儀器、儀表等設備。
MC3406A用作升壓式DC-DC變換器電路:

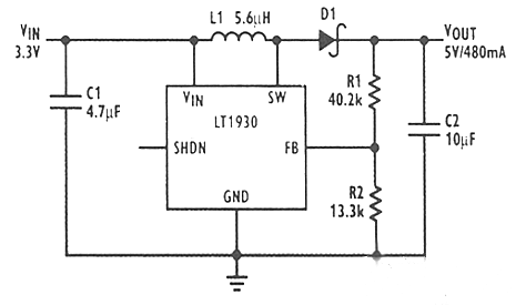
3.3V升壓12V電路圖(三)

此器件的高工作頻率可使電感器和電容器的數值和大小減小,使設計可封裝在小于110mm2的面積內。270μA低工作電流、8μA關閉電流和高達90%的效率都有助于延長電池使用壽命。
LTC1872保證輸出電壓精度±2.5%。輸出出電壓只受外部元件性能的限制。為避免N-溝MOSFET工作在低于安全輸入電壓電平之下,該器件具有欠電壓鎖定特性。當輸入電源電壓低于2V時,關斷N-溝MOSFET和控制器,而欠壓電路仍在工作(它只耗電幾微安)。
3.3V升壓12V電路圖(四)
3.3V到5V/1A升壓為換器電路

LTC3401和LTC3402主要特性有:高達3MHz開關頻率、97%效率、小于1V的輸入。它們能為單節同步升壓變換器提供最高的功率密度,在只有0.05in2面積內提供高達5W的穩壓輸出。它們所具有的微型尺寸、高效率和寬輸出電流范圍特別適合于尋呼機、無繩電話、GPS接收機和手持儀器的應用要求。
為了達到高效率每個開關穩壓器都包含一個0.16ΩN-溝道MOSFET開關晶體管和一個0.18Ω同步整流器。LTC3402能給出高達1A的負載電流(2A開關電流),效率為95%,而耗電只有38μA(在BurstMode工作)。LTC3401是具有500mA輸出能力的類似器件。
用一個定時電阻器可編程300KHz~3MHz開關頻率,以使電路達到最佳的RFI抑制和最高效率。為了改善敏感的音頻和IF頻段的開關諧波抑制,LTC3401或LTC3402振蕩器可同步外部時鐘。在同步期間或當MODE/SYNC引腳為低態時,禁止BurstMode工作,以防止來自低頻波紋的干擾。

LTC3401和LTC3402設計為在0.85V輸入電壓(典型值)下啟動。一旦啟動,IC工作靠Vout而不是Vin。在該點,內部電路不依賴于輸入電壓,因而不需要大的輸入電容器。輸入電壓可降到低于0.5V而不影響工作,從而在低電壓下電源能提供足夠的能量。
〈烜芯微/XXW〉專業制造二極管,三極管,MOS管,橋堆等,20年,工廠直銷省20%,上萬家電路電器生產企業選用,專業的工程師幫您穩定好每一批產品,如果您有遇到什么需要幫助解決的,可以直接聯系下方的聯系號碼或加QQ/微信,由我們的銷售經理給您精準的報價以及產品介紹
聯系號碼:18923864027(同微信)
QQ:709211280

