1N4148WS開關二極管,1N4148WS參數資料,1N4148WS替代
1N4148WS開關二極管,1N4148WS封裝SOD-323,1N4148WS二極管參數,1N4148WS引腳圖
1N4148WS開關二極管,1N4148WS封裝SOD-323,1N4148WS二極管參數,1N4148WS引腳圖
Non-Repetitive Peak Reverse Voltage VRM 非重復峰值反向電壓:100V
Peak Repetitive Reverse Voltage VRRM 峰值重復反向電壓:75V
Working Peak Reverse Voltage VRWM 工作峰值反向電壓:75V
DC Blocking Voltage VR 直流阻斷電壓:75V
RMS Reverse Voltage VR(RMS) 均方根反向電壓:75V
Forward Continuous Current IFM 正向連續電流:150mA
Power Dissipation PD 功耗:200mW
RMS Reverse Voltage VR(RMS) 均方根反向電壓:75V
Forward Continuous Current IFM 正向連續電流:150mA
Power Dissipation PD 功耗:200mW
Maximum Forward Voltage VFM IF=150mA時,最大正向電壓:1.25V
Operating junction and storage temperature range TJ,TSTG 工作溫度和存儲溫度范圍:-55to +150℃
1N4148WS開關二極管SOT-23封裝尺寸:

1N4148WS開關二極管SOT-23封裝尺寸:

1N4148WS開關二極管SOD-123封裝尺寸:


1N4148WS二極管SOD-323封裝尺寸:

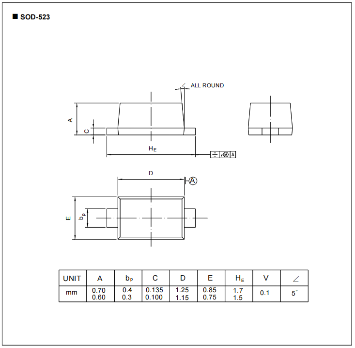
1N4148WS二極管SOD-523封裝尺寸:

〈烜芯微/XXW〉專業制造二極管,三極管,MOS管,橋堆等,20年,工廠直銷省20%,上萬家電路電器生產企業選用,專業的工程師幫您穩定好每一批產品,如果您有遇到什么需要幫助解決的,可以直接聯系下方的聯系號碼或加QQ/微信,由我們的銷售經理給您精準的報價以及產品介紹

1N4148WS二極管SOD-523封裝尺寸:

〈烜芯微/XXW〉專業制造二極管,三極管,MOS管,橋堆等,20年,工廠直銷省20%,上萬家電路電器生產企業選用,專業的工程師幫您穩定好每一批產品,如果您有遇到什么需要幫助解決的,可以直接聯系下方的聯系號碼或加QQ/微信,由我們的銷售經理給您精準的報價以及產品介紹
聯系號碼:18923864027(同微信)
QQ:709211280




