鉛酸電池具有安全、便宜、易維護的特點,因此目前仍然廣泛的應用于電動自行車。但是鉛酸電池污染大、笨重、循環次數少,隨著世界各國對環保要求越來越高,鉛酸電池的使用會越來越受到限制。磷酸鐵鋰電池作為一種新型的環保電池,開始逐步的應用到電動車中,并且將成為發展趨勢。通常,由于磷酸鐵鋰電池的特性,在應用中需要對其充放電過程進行保護,以免過充過放或過熱,以保證電池安全的工作。短路保護是放電過程中一種極端惡劣的工作條件,本文將介紹功率MOSFET在這種工作狀態的特點,以及如何選取功率MOSFET型號和設計合適的驅動電路。
電路結構及應用特點
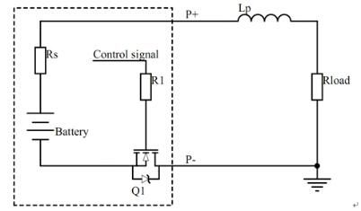
電動自行車的磷酸鐵鋰電池保護板的放電電路的簡化模型如圖1所示。Q1為放電管,使用N溝道增強型MOSFET,實際的工作中,根據不同的應用,會使用多個功率MOSFET并聯工作,以減小導通電阻,增強散熱性能。RS為電池等效內阻,LP為電池引線電感。


圖1 鋰電池放電拓撲
正常工作時,控制信號控制MOSFET打開,電池組的端子P+和P-輸出電壓,供負載使用。此時,功率MOSFET一直處于導通狀態,功率損耗只有導通損耗,沒有開關損耗,功率MOSFET的總的功率損耗并不高,溫升小,因此功率MOSFET可以安全工作。
但是,當負載發生短路時,由于回路電阻很小,電池的放電能力很強,所以短路電流從正常工作的幾十安培突然增加到幾百安培,在這種情況下,功率MOSFET容易損壞。
磷酸鐵鋰電池短路保護的難點
(1)短路電流大
在電動車中,磷酸鐵鋰電池的電壓一般為36V或48V,短路電流隨電池的容量、內阻、線路的寄生電感、短路時的接觸電阻變化而變化,通常為幾百甚至上千安培。
(2)短路保護時間不能太短
在應用過程中,為了防止瞬態的過載使短路保護電路誤動作,因此,短路保護電路具有一定的延時。而且,由于電流檢測電阻的誤差、電流檢測信號和系統響應的延時,通常,根據不同的應用,將短路保護時間設置在200μS至1000μS,這要求功率MOSFET在高的短路電流下,能夠在此時間內安全的工作,這也提高了系統的設計難度。
短路保護
當短路保護工作時,功率MOSFET一般經過三個工作階段:完全導通、關斷、雪崩,如圖2所示,其中VGS為MOSFET驅動電壓,VDS為MOSFET漏極電壓,ISC為短路電流,圖2(b)為圖2(a)中關斷期間的放大圖。


圖2:短路過程。(a)完全導通階段;(b)關斷和雪崩階段。
(1)完全導通階段
如圖2(a)所示,短路剛發生時,MOSFET處于完全導通狀態,電流迅速上升至最大電流,在這個過程,功率MOSFET承受的功耗為PON= ISC2 * RDS(on),所以具有較小RDS(on)的MOSFET功耗較低。
功率MOSFET的跨導Gfs也會影響功率MOSFET的導通損耗。當MOSFET的Gfs較小且短路電流很大時,MOSFET將工作在飽和區,其飽和導通壓降很大,如圖3所示,MOSFET的VDS(ON)在短路時達到14.8V,MOSFET功耗會很大,從而導致MOSFET因過功耗而失效。如果MOSFET沒有工作在飽和區,則其導通壓降應該只有幾伏,如圖2(a)中的VDS所示。


圖3:低跨導MOSFET的導通階段
(2)關斷階段
如圖2(b)所示,保護電路工作后,開始將MOSFET關斷,在關斷過程中MOSFET消耗的功率為POFF = V * I,由于關斷時電壓和電流都很高,所以功率很大,通常會達到幾千瓦以上,因此MOSFET很容易因瞬間過功率而損壞。同時,MOSFET在關斷期間處于飽和區,容易發生各單元間的熱不平衡從而導致MOSFET提前失效。
提高關斷的速度,可以減小關斷損耗,但這會產生另外的問題。MOSFET的等效電路如圖4所示,其包含了一個寄生的三極管。在MOSFET短路期間,電流全部通過MOSFET溝道流過,當MOSFET快速關斷時,其部分電流會經過Rb流過,從而增加三極管的基極電壓,使寄生三極管導通,MOSFET提前失效。
因此,要選取合適的關斷速度。由于不同MOSFET承受的關斷速率不同,需要通過實際的測試來設置合適的關斷速度。


圖4:MOSFET等效電路
圖5(a)為快速關斷波形,關斷時通過三極管快速將柵極電荷放掉從而快速關斷MOSFET,圖5(b)為慢速關斷電路,在回路中串一只電阻來控制放電速度,增加電阻可以減緩關斷速度。


圖5:功率MOSFET關斷電路。(a)快速關斷電路;(b)慢速關斷電路。


圖6:AOT266關斷波形。(a)快速關斷波形;(b)慢速關斷波形
AOT266為AOS新一代的中壓MOSFET,其耐壓為60V,RDS(ON)僅為3.2毫歐,適合在磷酸鐵鋰電保護中的應用。圖6(a)為AOT266在不正確的設計時快速關斷的波形,AOT266在快關斷過程中失效,失效時其電壓尖峰為68V,失效后電流不能回零,其失效根本原因是關斷太快。圖6(b)為使用正確的設計、放電電阻為1K時的慢速關斷波形,MOSFET的關斷時間達到13.5us,電壓尖峰為80.8V,但MOSFET沒有失效,因此慢速關斷在這種應用中可以提高短路能力。
(3)雪崩階段
在MOSFET關斷過程的后期,MOSFET通常會進入雪崩狀態,如圖2(b)中的雪崩階段。關斷后期MOSFET漏極電壓尖峰為VSPIKE = VB + LP * di/dt,回路的引線電感LP和di/dt過大均會導致MOSFET過壓,從而導致MOSFET提前失效。
功率MOSFET的選取原則
(1)通過熱設計來確定所需并聯的MOSFET數量和合適的RDS(ON);
(2)盡量選擇較小RDS(ON)的MOSFET,從而能夠使用較少的MOSFET并聯。多個MOSFET并聯易發生電流不平衡,對于并聯的MOSFET應該有獨立的并且相等的驅動電阻,以防止MOSFET間形成震蕩;
(3)基于最大短路電流、并聯的MOSFET數量、驅動電壓等選擇合適gFS的MOSFET;
(4)考慮在關斷后期的電壓尖峰,MOSFET的雪崩能量不能太小。
小結
在電動車磷酸鐵鋰電池保護應用中,短路保護設計和整個系統的可靠性直接相關,因此不但要選擇合適的功率MOSFET,而且要設計合適的驅動電路,才能保證功率MOSFET的安全工作。
烜芯微專業制造二極管,三極管,MOS管,橋堆等20年,工廠直銷省20%,4000家電路電器生產企業選用,專業的工程師幫您穩定好每一批產品,如果您有遇到什么需要幫助解決的,可以點擊右邊的工程師,或者點擊銷售經理給您精準的報價以及產品介紹
烜芯微專業制造二極管,三極管,MOS管,橋堆等20年,工廠直銷省20%,4000家電路電器生產企業選用,專業的工程師幫您穩定好每一批產品,如果您有遇到什么需要幫助解決的,可以點擊右邊的工程師,或者點擊銷售經理給您精準的報價以及產品介紹

